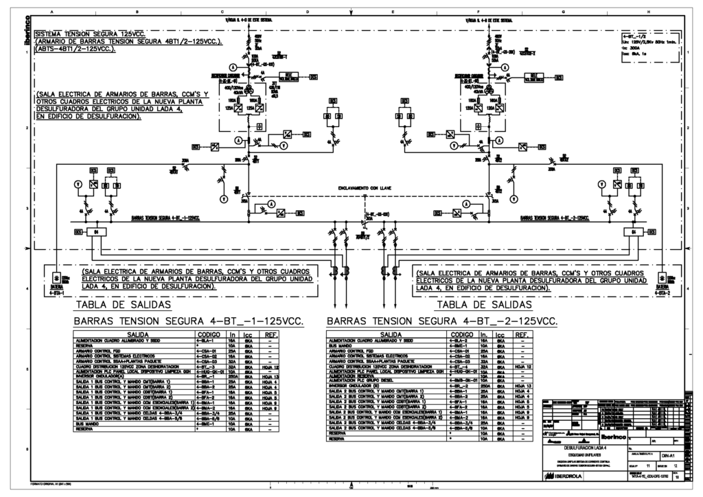
Ingeniería Eléctrica y de Control Desulfuración de Gases Central Térmica

IBERDROLA - Lada
Duro Felguera Plantas industriales

Ingeniería eléctrica de detalle y constructiva para equipo de desulfuración de gases en central térmica.

- Unifilares de baja y media tensión
- Cálculos
  • Cargas
  • Cables
  • Alumbrado
- Implantación de equipos
- Listas
  • Equipos

  • Motores e instrumentos

  • Cables, bandejas y otros materiales

- Esquemas eléctricos desarrollados y de interconexión
- Rutados de cables y bandejas
- Lógicos de programación
- Hojas de datos y especificaciones técnicas